В этой статье мы рассмотрим различные типы шарниров для дверей и предоставим чертежи для их изготовления. Шарниры для дверей являются важным элементом, обеспечивающим надежное открывание и закрывание дверей, а также их устойчивое положение. Мы подготовили множество фотографий, чтобы вы могли лучше понять, как выбрать и установить подходящие шарниры для вашей двери.
 
  
  
  
  
  
  
  
  
  
  
  
  
  
  
  
  
  
  
  
  
  
  
  
  
  
  
  
  
  
  
  
  
  
  
  
  
  
  
  
  
  
  
  
 Выбор шарниров для дверей
Перед тем как приступить к изготовлению или покупке шарниров для дверей, необходимо определиться с их типом. Существует несколько основных видов шарниров, таких как петли, шарниры-листы, шарниры скрытого монтажа и другие. Каждый тип шарнира имеет свои особенности и применение, поэтому важно выбрать подходящий вариант в зависимости от конструкции двери и ее функциональных требований.
Наши фотографии помогут вам визуализировать различные типы шарниров и понять, как они могут быть использованы в дверях различных стилей и конструкций.
 
  
  
  
  
  
  
  
  
  
  
  
  
  
  
  
  
  
  
  
  
  
  
  
  
  
  
  
  
  
  
  
  
  
  
  
  
  
  
  
  
  
  
  
  
  
  
  
 Чертежи шарниров для дверей
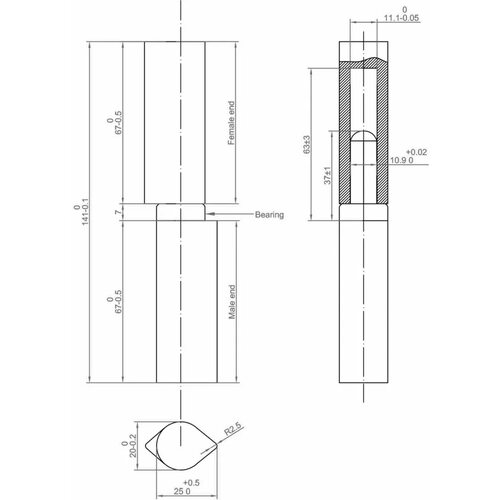
Чтобы у вас была возможность изготовить шарниры для дверей своими руками, мы предоставляем набор чертежей, которые помогут вам разобраться в деталях изготовления и установки шарниров. Наши подробные чертежи содержат информацию о размерах, материалах и способах монтажа шарниров, что позволит вам создать надежные и функциональные элементы для ваших дверей.
Благодаря нашим фотографиям и чертежам, вы сможете освоить процесс выбора и установки шарниров для дверей, а также создать уникальные дизайнерские решения, подчеркивающие стиль вашего интерьера.