• Главная
  • стойка сборных кабельных конструкций без полок масса до 4 кг

Стойка сборных кабельных конструкций без полок масса до 4 кг

8 февраля 2024 / 0 комментариев / 20 просмотров

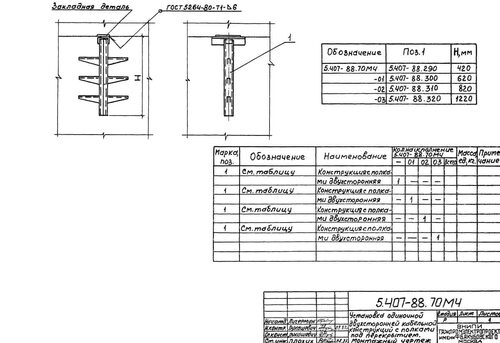
Стойка сборных кабельных конструкций без полок массой до 4 кг представляет собой важный элемент инфраструктуры для организации кабельных систем. Она обеспечивает надежную поддержку кабелей и проводов, а также позволяет эффективно использовать пространство.

Схема монтажа лотков для кабеля
1
Схема монтажа лотков для кабеля
Ту 3449-001-74229600-2010 кабельные сборные конструкции
2
Ту 3449-001-74229600-2010 кабельные сборные конструкции
стойка сборных кабельных конструкций без полок масса до 4 кг
3
Лоток сетчатый 200х50 ДКС
4
Лоток сетчатый 200х50 ДКС
Профиль для кабельных лотков DKC bpt2912zl l=1500
5
Профиль для кабельных лотков DKC bpt2912zl l=1500
Схема монтажа кабельных лотков
6
Схема монтажа кабельных лотков
Разматыватель кабеля со счетчик размотки кабеля МИД 20
7
Разматыватель кабеля со счетчик размотки кабеля МИД 20
Огнезащитные перегородки кабельных лотков
8
Огнезащитные перегородки кабельных лотков
Стойка потолочная ДКС bsd4115hdz
9
Металлический кабельный лоток LKM 30x30x2000
10
Металлический кабельный лоток LKM 30x30x2000
Консоль (полка) hовый Тип, кабельного лотка 300мм
11
Консоль (полка) hовый Тип, кабельного лотка 300мм
Полки стойки Гэм
12
Полки стойки Гэм
Стойка сборная кабельных конструкций
13
Лестничный лоток 200х50 ДКС
14
Лестничный лоток 200х50 ДКС
Стойка кабельная к1150цут1.5
15
Палетный стеллаж (1000х2700х4500)
16
Палетный стеллаж (1000х2700х4500)
Трубный блок для прокладки кабеля из асбестоцементных
17
Трубный блок для прокладки кабеля из асбестоцементных
Стойка для одежды краб
18
Стойка к1150 полка к1160
19
Лестничный лоток 200х50 ДКС
20
Лестничный лоток 200х50 ДКС
Стойка потолочная СКП-400
21
Лоток перфорированный 100х80х3000 ДКС
22
Лоток перфорированный 100х80х3000 ДКС
Стойка кабельная к1151 IEK
23
стойка сборных кабельных конструкций без полок масса до 4 кг
24
Потолочная стойка pst250
25
Профиль стеллажный перфорированный 40 мм опора
26
Профиль стеллажный перфорированный 40 мм опора
Перфоуголок к237 50х36х2000
27
Перфоуголок к237 50х36х2000
Стойка потолочная сварная 400 мм спс OSTEC
28
Полка выдвижная NT sks2 g
29
Полка выдвижная NT sks2 g
Кабельные полки
30
Кабельные полки
стойка сборных кабельных конструкций без полок масса до 4 кг
31
Стеллаж для кабеля в бухтах
32
Стеллаж для кабеля в бухтах
Кабельная муфта на эстакаде
33
Кабельная муфта на эстакаде
Профиль монтажный u-образный 30х30х30х2000
34
Профиль монтажный u-образный 30х30х30х2000
Стойка кабельная к1152
35
Стойка потолочная сварная 400 мм спс OSTEC
36
Кабельные полки
37
Кабельные полки
стойка сборных кабельных конструкций без полок масса до 4 кг
38
Консоль Fischer alk 17-300
39
Консоль Fischer alk 17-300
Лотки кабельные металлические ДКС
40
Лотки кабельные металлические ДКС
Кабельный кронштейн (уголок 40x40x4), l=250mm.
41
Кабельный кронштейн (уголок 40x40x4), l=250mm.
стойка сборных кабельных конструкций без полок масса до 4 кг
42
Стеллаж 4000 кг 2 секции
43
Лоток перфорированный 50х100х3000 IEK
44
Лоток перфорированный 50х100х3000 IEK
Nutro корм для кошек
45
Nutro корм для кошек
Полка кабельная к1162
46
Полка кабельная к1162
Кабель конструкция чертеж
47
Кабель конструкция чертеж
Монтажный элемент для кабельных лотков DKC ugb500hdzl
48
Монтажный элемент для кабельных лотков DKC ugb500hdzl
Стойка кабельная к1150
49
Стойка кабельная к 1151а оц.
50
стойка сборных кабельных конструкций без полок масса до 4 кг
51
Стойка кабельная к1153 (clw10-Gem-sk-1200)
52
Рулька копченая рузком
53
Рулька копченая рузком
стойка сборных кабельных конструкций без полок масса до 4 кг
54
стойка сборных кабельных конструкций без полок масса до 4 кг
55
Металлический кабельный лоток LKM 30x30x2000
56
Металлический кабельный лоток LKM 30x30x2000
стойка сборных кабельных конструкций без полок масса до 4 кг
57
стойка сборных кабельных конструкций без полок масса до 4 кг
58
ДКС 6 метров кабельный лоток
59
ДКС 6 метров кабельный лоток
КСП-25 коробка соединительная
60
КСП-25 коробка соединительная
Лоток кабельный лестничный DKC li5040hdz 50 х 400 х 3000 мм
61
Лоток кабельный лестничный DKC li5040hdz 50 х 400 х 3000 мм

Выбор и установка стойки

При выборе стойки сборных кабельных конструкций необходимо учитывать массу кабелей, которые она должна выдерживать. Установка стойки должна проводиться с соблюдением всех требований безопасности и нормативных документов.

Оставьте комментарий

Ваш электронный адрес не будет опубликован.