2 января 2024 /
                                
                                    0 комментариев
                                 /
                                31 просмотр
                            
                            Замки для врезных межкомнатных дверей играют важную роль в обеспечении безопасности и удобства использования. Размеры замков должны соответствовать параметрам дверного проема и обеспечивать надежное функционирование двери. В данной статье мы рассмотрим основные размеры замков для врезных межкомнатных дверей и предоставим подробные фотографии для наглядного представления.
 
 1
 Корпус замка КЗВР - 101
  
 2
 Защелка punto l45-8 никель
  
 3
 Замок Bonaiti Бонаити межкомнатный
  
 4
 Корпус замка Нора-м 13м-90 мм
  
 5
 Замок 900 3mr Fuaro
  
 6
 Корпус замка цилиндрового 2018-CP (хром)
  
 7
 Защелка врезная Armadillo LH 720-50 SN
  
 8
 Nemef d147wc
  
 9
 Замок врезной APECS 6000-CR
  
 10
 Замок с ригелем под ключевой цилиндр Morelli l1885 SN
  
 11
 Защелка межкомнатная Palladium 600m
  
 12
 Замок межкомнатный магнитный Palladium 170 m SN
  
 13
 Замок межкомнатный Bonaiti Бонаити магнитный
  
 14
   
 15
 Замок врезной Зенит-зв7-70
  
 16
 Защелка APECS 5800-M-G-Blister
  
 17
 Замок врезной Fuaro 200-4mf/PB 5 ключей
  
 18
 Защелка врезная punto (Пунто) l45-8 gr - графит
  
 19
 Корпус замка Palladium 4301 ab
  
 20
 Защелка врезная Kale kilit 251
  
 21
 Защелка межкомнатная магнитная Palladium 090m SB
  
 22
 Замок врезной цилиндровый Kit p15 4061/3 Crona SN punto мат никель
  
 23
 Врезной замок Kale 201f
  
 24
 Роликовая защёлка Kale 155
  
 25
   
 26
 Меттэм зв4 402.0.0
 27
   
 28
 Замок врезной просам зв4-31/55
  
 29
 Защелка магнитная Фуаро
  
 30
   
 31
 Замок межкомнатный под цилиндр LH 25-50 GP Box ригель+защёлка (золото)
  
 32
 Замок врезной Омега-зв4.2.02
  
 33
 Замок врезной APECS 1900-inox
  
 34
   
 35
   
 36
   
 37
 Замок цилиндровый просам зв 4-31/55
  
 38
 Замок врезной Kale 253
  
 39
 Замок врезной Kale 153
  
 40
 Защелка врезная Plastic p22-45-25 ab бронза
  
 41
 Замок врезной просам 88011-зв9-8.3/13.ЗП.рф46л-002ш
  
 42
 Врезной замок Kale 201f
  
 43
 Фуаро замок р85 сантехнический
  
 44
 Замок врезной Зенит зв4-85.3-02 (медь)
  
 45
 Замок врезной Палладиум 2000
  
 46
   
 47
 Замок врезной зв 4-3.07 (зв4-0623) бронза с/руч м/о 55 Птимаш
  
 48
 Цилиндровый замок APECS 2600-CR
  
 49
   
 50
 Замок дверной punto Kit p16 4070
  
 51
 Замок врезной Nora-m
  
 52
 Замок врезной Kale kilit 189/3mf-bs45-BP-3key-(SP, Ros)-stb
  
 53
 Защелка врезная Kale kilit (Кале килит) 251 WC (44 mm) (латунь)
 54
 Защелка магнитная межкомнатная Palidore 8-45
  
 55
 Замок врезной Lob z7504
  
 56
   
 57
 Замок врезной зв 9-4.08 серебро Птимаш
  
 58
 Врезной замок Kale kilit 252-r
  
 59
 Магнитный замок Bonaiti b-Forty
  
 60
 Morelli l6-45 SN защелка межкомнатная, никель
  
 61
 Замок врезной Set f9011
  
 62
 Корпус замка КЗВР - 101
  
 63
 Замок врезной Омега зв1 цилиндровый
  
 64
   
 65
 Замок врезной Зенит зв7-70.4
  
 66
 Замок врезной Зенит зв7-70.4
  
 67
 Врезной замок Нора-м зв-111
  
 68
 Punto замок врезной цилиндровый с защелкой
  
 69
   
 70
 Замок врезной Зенит зв7-70.4
  
 71
 Замок врезной Зенит зв7-70.4
  
 72
 Врезной замок Нора-м зв-111
  
 73
 Punto замок врезной цилиндровый с защелкой
  
 74
 Замок бордер зв4-3/55
  
 75
 Замок врезной Омега зв7.02
  
 76
 Корпус замка Нора-м КЗВ 4-3
  
 77
 Замок врезной Зенит зв4-3.01
  
 78
 Защелка магнитная Апекс 5400м
  
 79
 Замок врезной Зенит-зв9-4-2 (серебро)
  
 80
 Замок врезной Kale 152 3mr
  
 81
 Замок врезной APECS 5300-M-G
  
 82
   
 83
 Петли Morelli HH-3
  
 84
 Защелка меттэм зщ1-3 ответная планка чертеж
  
 85
   
 86
 Замок врезной Onyx 9052-1 чертеж
  
 87
 Замок врезной Гардиан 1011
  
 88
 Замок межкомнатный AGB (АГБ) под цилиндр Centro b01025.50.03
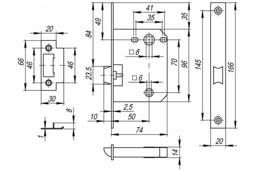
 Стандартные размеры замков для врезных межкомнатных дверей
Стандартные размеры замков для врезных межкомнатных дверей обычно соответствуют стандартным размерам дверных проемов. Наши фотографии помогут вам понять, как выбрать подходящий замок для вашей двери и обеспечить ее надежное функционирование.