Установка замков для мебели может показаться сложной задачей, но при правильном подходе и инструментах это можно сделать самостоятельно. В этой статье мы подробно рассмотрим процесс установки замков для мебели и предоставим пошаговые инструкции с фото.
 
  
  
  
  
  
  
  
  
  
  
  
  
 /how-to-adjust-cabinet-hinges-1822181-01-9518583bf0374f2a8d3b87cadd5fc25f.jpg) 
  
  
  
  
  
  
  
  
  
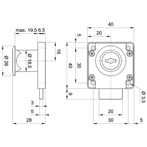
 Шаг 1: Подготовка инструментов и материалов
Перед началом установки замков для мебели убедитесь, что у вас есть все необходимые инструменты и материалы. Вам понадобятся отвертка, дрель, замерный инструмент, шаблон для замков, замки для мебели, и, конечно же, мебель, в которую вы будете устанавливать замки.
 
  
  
  
  
  
  
  
  
  
  
  
  
  
  
  
  
  
  
  
  
  
 Шаг 2: Подготовка мебели
Прежде чем приступить к установке замков, отметьте место, где они будут размещены, с помощью шаблона для замков. Убедитесь, что выбранные места соответствуют размерам и форме замков. Затем с помощью дрели и отвертки подготовьте мебель для установки замков.
 
  
  
  
  
  
  
  
  
  
  
  
  
  
  
  
  
  
  
  
 Шаг 3: Установка замков
Теперь приступим к самой установке замков. Вставьте замки в отверстия, затем прикрепите их к мебели с помощью крепежных элементов. Убедитесь, что замки надежно закреплены и хорошо функционируют.
 
  
  
  
  
  
  
  
  
  
  
  
  
  
  
  
  
  
  
  
 Шаг 4: Проверка и отладка
После установки всех замков тщательно проверьте их работоспособность. Отрегулируйте замки при необходимости, чтобы они открывались и закрывались легко и плавно. После завершения установки убедитесь, что все детали мебели находятся на своих местах и надежно закреплены.
Теперь у вас есть готовая мебель с установленными замками, которая будет служить вам долгие годы. Наслаждайтесь результатом своей работы и уверенностью в надежности ваших замков для мебели!